Skip to product information
1 of 1

BMW

Genuine BMW 11131314681 Classic Shield (Inc. E30 M3)

Genuine BMW 11131314681 Classic Shield (Inc. E30 M3)

Regular price $337.00
Regular price $354.00 Sale price $337.00
9th Anniversary Badge

Price Match

Notify Me When Available

In Stock

Receive your order by tomorrow if ordered within
00 hours
00 mins
00s.

Get It By

Receive your order tomorrow. Subject to availability.

Collect 0 points

Purchasing this product will earn you 0 loyalty points worth $0.00 USD.

Price Match Guarantee

If you find a lower price at an eligible UK retailer website, we will match it.

Fitting service at Xatrix, West Yorkshire

We can offer a fitting service for this part. Contact us for a fitting quote.

UNLOCK BIGGER DISCOUNTS WITH ML PLATINUM
Sign Up

Sign up now for FREE

View full details

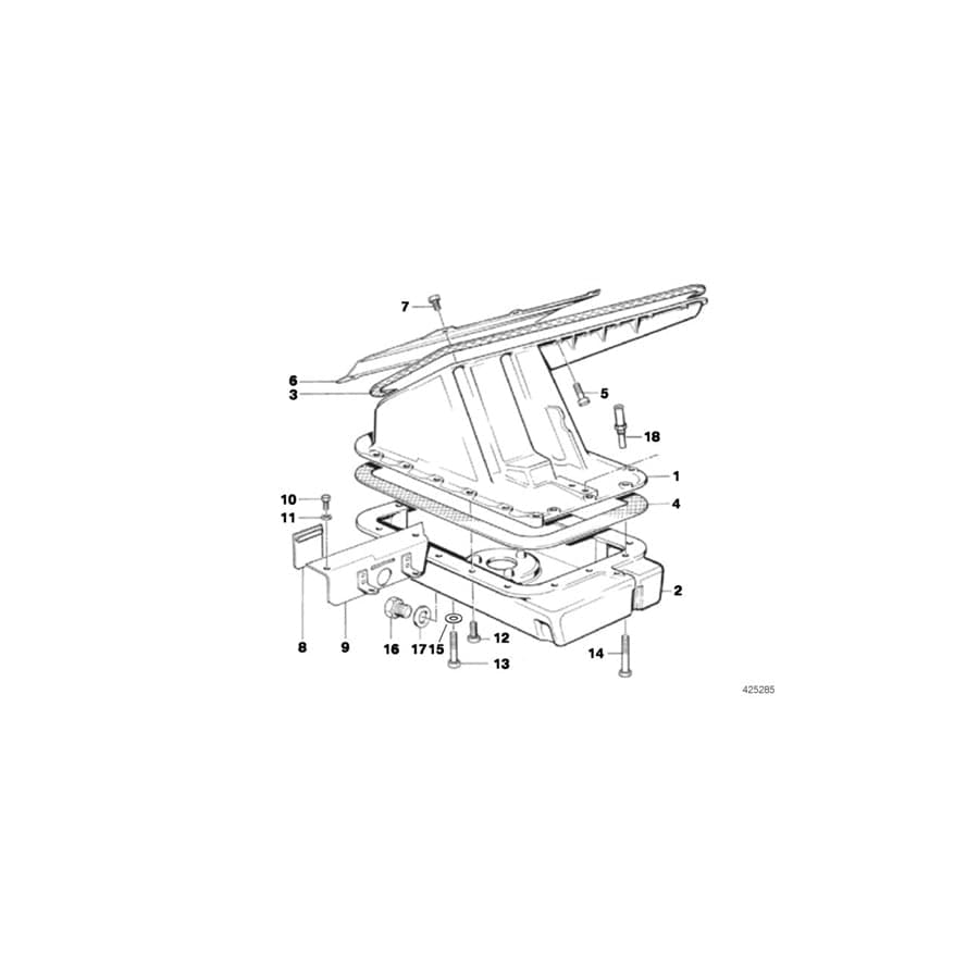
This is Genuine BMW 11131314681 Classic Shield (Inc. E30 M3).

Number 03 in the illustration

Genuine BMW 11131314681 Classic Shield (Inc. E30 M3) | ML Performance UK Car Parts

 

  • BMW Classic Motorsport (01/1928 - 09/1932)
    • E30 M3 Gr.A/DTM / E30 M3 Gr.N

 

To ensure the part(s) you have ordered fits your vehicle, we run a compatibility check prior to dispatch. We can do this either using your registration number (UK) or the last 7 digits of your VIN. Simply enter your car details prior to checkout.

 

BMW-11131314681

 

Manufactured by

BMW - Genuine BMW Performance Parts.

 

Warranty

Two years manufacturer warranty for UK customers and one year manufacturer warranty for international customers if VIN is provided during check out on compatible vehicles.

  • Price Match Guarantee

    We are committed to giving you the best price. if you find a lower price on the same item at an eligible UK retailer website, we will match it.

  • Next Day UK Delivery

    For in-stock item, get guaranteed next day UK delivery. Same day dispatch available on in-stock items if your order is placed before 1pm UK Time.

  • Worldwide Shipping

    We ship worldwide via DHL International, simply enter your full address at checkout to see the shipping option(s) and quote(s). Same day dispatch available if your order is placed before 1pm UK Time on all in stock items!